この設置基準は、「東千葉ハイツ専有部分の修繕等に関する細則」に基づき、給湯器のバルコニーおよび花台に設置する基準を定める。 この設置基準は1号棟、2号棟、5号棟に適用する。 容量は共用ガス配管設備容量から16号以下とする。 安全に配慮すること。 ・ガス供給は屋内に設置されている既存のガスコンセントから行う。 ・燃焼空気の排気口と排気方向は 基準エネルギー消費効率 ガス温水機器の種別 通気方式 循環方式 給排気方式 区分名 ガス瞬間湯沸器 自然通気式 ― 開放式 a 5 開放式以外のもの b 780 強制通気式 ― 屋外式以外のもの c 800 屋外式 d 0 ガスふろがま (給湯付のもの以外) 自然通気式に設設置設置置さ置されてていていいるる 小型湯沸器の対応について 小型湯沸器の設置位置について 直上から移設できない場合の対応について 09年4月より、長期使用製品安全 点検制度が施行され、小型湯沸器の点 検基準として、「機器の設置位置がコン
ガス給湯器の排気口のタイプは変更できる
ガス給湯器 設置基準 消防法
ガス給湯器 設置基準 消防法-1ガスコック接続部をご確認ください 現在お使いの湯沸かし器が旧方式の「ホースバンド接続」の場合はガスコックの交換も必要です。 ガスコック交換につきましてはお客様がご契約されているガス会社の対応範疇になりますので、ホースバンド接続の場合、まずはガス会社にお問い合わせの上、ガスコックの交換をご相談ください。 すでにネジ接続の湯沸かし器ガス給湯器|製品を安全に正しくお使いいただくために|製品に関する大切なお知らせ|Paloma 1 冬期に温水機器を取り付ける際には、下記のことを注意ください。 冬期の製品取付時のおねがい 冬期に給湯器をお取り付けの際には、給湯器内に残った検査



ガス給湯機器の設置に関するご注意について 製品に関する大切なお知らせ ノーリツ
給湯器周りの可燃物からの離隔距離について、機器の銘板に記載されている「ガス 「ガス機器防火性能評定品」の離隔距離は、一般的な設置基準「黒本 (ガス機器の設置基準及び実務指針)」の基準から踏み込んで設置する場合に評定を受けて承認されたものです。 実際によくある事例では、機器背面の可燃壁からの離隔距離は、黒本では45cmですが、評定を機器の上や周囲には燃えやすいものを置かないでください。 機器と周囲のものとは、常に下図の離隔距離を確保してください。 排気口や給気口をタオルなどでふさがないでください。 不完全燃焼や火災の原因となり危険です。 不完全燃焼防止装置が作動する場合があります。 火を付けたまま就寝や外出は絶対にしないでください。 ガソリン・ベンジン・各種(1) 設置基準 機器を正しく安全にご使用いただくため、この工事説明書をよく読み、次の法、基準、指針、条例などに従って設置すること。 ・建築基準法・電気設備に関する技術基準・ガス事業法・液化石油ガス法・水道法・下水道法・特定ガス消費機器の設置工事の
高効率給湯機 電気ヒートポンプ給湯機(エコキュート) jis c92 に基づく年間給湯保温効率、または年間給湯効率が30以上(ただし寒冷地仕様は27 以上)であること。 潜熱回収型ガス給湯機(エコジョーズ) 給湯部熱効率が94%以上であること。ガス給湯・暖房機の設置制限規定 設定 平成 14 年 5 月 12 日 最終改定 平成 26 年 5 月 18 日 各戸のガス給湯・暖房機の交換の制限 ガス給湯・暖房機の交換時には,事前に理事会へ申請し承認を受けることを義務とします。屋外設置形ガス給湯機器ご使用時の注意事項 製品を安全にお使いいただくために、月に1回は次の点をご確認ください。 ※ 機器使用後は本体内のお湯が高温になっていますのでご注意ください。
圧縮アセチレンガス等の貯蔵又は取り扱いの届出 消防用設備等の設置届出 核燃料物質、放射性同位元素、圧縮ガス、液化ガス、毒物その他消火活動に重大な 支障を生ずるおそれのある物質を貯蔵し、又は取り扱おうとするときガス機器の合計ガス消費量でお決めください。 ガス小型湯沸器には、火災予防上必ずフードを付けてください。 フードがない場合は、排気口から上部可燃物まで40cm以上の 間隔をとってください。 次の場所には設置しないでください。 浴室書籍・ラベルの販売 設置基準(家庭用) 設置基準 (業務用) その他書籍 ラベル特監法・gss表示 「ガス機器の設置基準及び実務指針」(黒本)は、 ガス機器の正しい設置を行うための統一的な基準書として、 学識経験者・消費者団体・関係行政・関係団体等の参画による「ガス機器設置基準調査



ガス給湯機器の設置に関するご注意について 製品に関する大切なお知らせ ノーリツ



給湯器を選ぶ4つのポイント 給湯器交換は即日対応の水猿
自然排気式の湯沸器 自然排気式の湯沸器は、浴室外へ設置してください。 燃焼排ガスを屋外に排出するための排気筒が必要です。 1排気筒は可燃性の壁、天井、及び家具から排気筒径の1/2以上離してください。 又、カーテン等の燃えやすいものに触れないように注意してください。 2排気筒の先端は排気が妨げられない位置及び構造で防鳥網(16mmの球が入らない公布等年月日_平成04年02月18日, 法令分類_通知(質疑以外), 発令種別・番号_消防予第29号, 法令名_業務用ガス機器の設置基準について(本文~別添Ⅲ章) ピックアップコンテンツ 大問屋では、政府の緊急事態宣言解除後も当面の間、感染防止に対する様々な対策を講じて参ります。 毎朝体温チェックをし、スタッフはマスク着用・消毒処理を厳守して訪問させていただいております。 ※屋外での作業時に関しては熱中症対策を考慮して、必要に応じてマスクを外しての作業を行う場合もございます。 お客様の



Home K04 Itscom Net



書籍 ラベルの販売 Jia 一般財団法人 日本ガス機器検査協会
ご注意 ・法令により適正な給排気設備の設置が義務づけられています。 ・給排気設備に不備があると一酸化炭素(CO)中毒を引き起こすおそれがあります。 ・工事には国で定められた資格が必要です。 ・設置後、正しく設置されたことを表示したラベルが貼付されていることをご確認ください。 (小型湯沸器を除く)ガス給湯器・ガス機器の離隔距離や障害物に気をつけよう。 多くのご家庭で使われている「屋外式ガス機器」。 今回の記事では、家の外にあるタイプのガス機器の設置環境について解説します。 ガス機器の設置には細かなルールが決められており給湯器の設置基準とは? 給湯器を始めとするガス器具については、安全に使用するために様々な法律に準ずる決まりや基準が設けられています。 ガス機器を設置するとき、そして普段使うときに気をつけたいのは、給湯器の周辺に 可燃物を置かないこと 。 給湯器の排気温度は、古いタイプのものだと0度近くなることもあり、近くに可燃物があると火災などの



設置基準を守って壁掛けのガス給湯器を自分で取り付けする 本体設置編



アルバニー 限られた アクセシブル 大阪ガス 給湯器 設置基準 階段 Hyakuju Jp
器 ガス貯湯湯 沸器 ・伝熱面積が4㎡以下、水頭圧10mH2O以下でガ ス消費量が36,000kcal/h又は3㎏/h{419kW}を超 えるもの ガス常圧貯蔵湯沸器 ガス瞬間湯 沸器 ・ガス消費量が60,000kcal/h又は5㎏/h{698kW} を超えるもの 上記以外の ものガス給湯器の技術革新 bf式風呂釜、屋外設置式ガス風呂釜、大型給湯器、給湯付風呂 釜等も大きな技術変遷であったが、1977年に開発された「電子式 ガス比例制御装置」以降のガス給湯器は、電気を駆使してガス優良住宅部品認定基準 ガス給湯機 第1章総則 Ⅰ.総則 この基準は、一般財団法人ベターリビング(以下「財団」という。)が行う優良住宅部品の認 定及び評価に関し必要な事項を定めるものである。なお、当基準以外の方法について、その性



密閉式燃焼器の給排気



Meti Go Jp
ガラリ、換気用小窓付サッシ等で、換気のために専用に設けたものであること。 ② 換気口の位置 燃焼器具の排気部より高く、できるだけ天井に近い位置であること。 ③ 換気口の面積 ガス消費量12kW (1,000kcal/h)当り40 以上または床面積1 当り6 程度が望ましい。 ②機械換気 燃焼器具より屋内に放出された燃焼排ガスを屋内の空気とともに動力を用いて屋外に排出1給気口と排気口が設けられた室で、開口部の有効開口面積は、湯沸器のガス消費量12kW当り、 cm 2 以上あること。 2給気口と排気口の位置は、湯沸器が設置されている室内にあり、かつ、給気口はその床面に近い 位置に、排気口はその有効開口部の下端



Meti Go Jp



リンナイ エコジョーズ ガスふろ給湯器 浴槽隣接設置タイプ 24号 フルオート Rfs E2405a B リモコンbc 240v Mc 240v付 Rfse2405a スイスイマート 通販 Yahoo ショッピング



Jgka Or Jp



給湯器交換 ガス給湯器の選び方



よくある質問 給湯器の見積もり比較は給湯器交換 Com



給湯器 エコジョーズ 交換工事費について ガス器具ネット マルエオンラインショップ ガスコンロから豊かな暮らしを



ガス給湯器の排気口のタイプは変更できる



Cbl Or Jp



ガス小型湯沸器 松本ガス



エネワークス相模e Lifeshop ノーリツ フルオート給湯 追い炊き 従来型ガス温水給湯器 24号 設置フリー壁掛型 Gt 2450awx Bl



お客さまサポート ガス使用時の換気について ひとにやさしい まちにやさしい 都市ガス 山口合同ガス株式会社



取り付け設置業者の皆様へ ガス調理器 給湯器の パロマ



Gq C1634wz C ノーリツ ガス給湯器 本体のみ 給湯専用



壁掛形エコジョーズ給湯単能機をリニューアル新発売 新着情報 パーパス株式会社



取り付け設置業者の皆様へ ガス調理器 給湯器の パロマ



ガス機器の関連法規 モアープランニング



業務用給湯器 岡山ガス



設置性 エネファーム 大阪ガス



給気口 排気口 位置



排気フード対応形 業務用機器 製品情報 パーパス株式会社



給排気設備の設置工事の要点



目安の費用 ガス給湯器の取り付けに必要なもの 工具と材料



リンナイ ガス給湯器 Ps扉内設置型 号 給湯専用 音声ナビ Rux 016t E 送料無料 Ruxa16te スイスイマート 通販 Yahoo ショッピング



リンナイ ガス給湯器 13号 給湯専用 音声ナビ付 屋内壁掛型 Ff方式 ダクト設置専用品 Rux V1316ffda E 送料無料 Ruxv1316ffdae スイスイマート 通販 Yahoo ショッピング



ご注意ください 給湯器 ガス給湯器の交換 修理 取り付けなら 湯ドクター



屋外でも要注意 ガス給湯器 ガス機器の離隔距離や障害物に気をつけよう 小金井市 西東京市 小平市の給湯器交換屋さん 福田設備



取り付け設置業者の皆様へ ガス調理器 給湯器の パロマ



給排気設備の設置工事の要点



所沢市東狭山ヶ丘ノーリツエコジョーズ給湯器付け替え作業



給湯器の設置場所はどうする 給湯器の種類や設置基準 ポイントを解説



ざっくり確認 ガス給湯器選び方7つのポイント 給湯器交換ナビ



給排気設備の設置工事の要点



Meti Go Jp



ガス給湯器設置工事費用 ガス給湯器 石油給湯器の根岸設備店 埼玉県



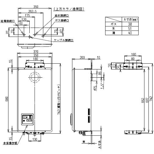
給湯器設置基準



お客さまサポート ガス使用時の換気について ひとにやさしい まちにやさしい 都市ガス 山口合同ガス株式会社



共同住宅給湯器 設置基準



ガス給湯器 ノーリツ Ps設置タイプ 生活堂



離隔 距離 給湯 器 設置 基準



ガスふろ給湯器 製品を安全に正しくお使いいただくために 製品に関する大切なお知らせ Paloma



東邦ガス ガス機器情報 ガス小型湯沸器



設置 排気バリエーション 知っておきたい給湯器の基礎知識 リンナイの給湯器



ガス機器 設置バリエーションから選ぶ 給湯器 ガス給湯器の交換 修理 取り付けなら 湯ドクター



ご注意ください 給湯器 ガス給湯器の交換 修理 取り付けなら 湯ドクター



取り付け設置業者の皆様へ 製品を安全に正しくお使いいただくために 製品に関する大切なお知らせ Paloma



サービス案内 リンナイ ノーリツのガス給湯器ならエスケージー株式会社



リンナイ ガス給湯器 16号 給湯専用 音声ナビ付 屋内壁掛型 Ff方式 上方給排気タイプ Rux V1615sffua E 送料無料 Ruxv1615sffuae スイスイマート 通販 Yahoo ショッピング



同様に インゲン カーペット 給湯 器 の 設置 Fishing Japan Org



ノーリツ 屋内壁掛式ふろ給湯器 Ff Fe方式 給湯器はu Form ゆ フォーム



給湯器エコジョーズの違いと そのメリット デメリット 給湯器交換のおすすめ業者比較サイト



給湯器の排気カバーをつける3つのメリット 小金井市 西東京市 小平市の給湯器交換屋さん 福田設備



Rux V2405ffua リンナイガス給湯器 本体 組込リモコン 屋内壁掛型



ガス機器設置工事に関わる皆さまへ ガス機器設置工事の安全性 大阪ガス



ノーリツ 屋内壁掛式ふろ給湯器 Ff Fe方式 給湯器はu Form ゆ フォーム



Jia Page Or Jp



設置 排気バリエーション 知っておきたい給湯器の基礎知識 リンナイの給湯器



給湯器 排気筒



プロパンガス給湯器おすすめ4選 選び方 比較ポイント 交換ならエコジョーズを設置 ガス会社変更のメリットとは 生活110番



給湯器交換にかかる工事費用の相場はどれくらい 給湯器ドットコム



Meti Go Jp



東京ガス 東京ガス 住宅 業務用空調相談センター ガス機器の設置基準



パロマエコジョーズガス給湯器の機能説明 リフォームコールセンター



その設置基準で大丈夫 給湯器の離隔距離について 小金井市 西東京市 小平市の給湯器交換屋さん 福田設備



パーパス Bk 6503 ガス給湯器 部材 設置用部材 防振架台 Bk 6503 まいどdiy 通販 Yahoo ショッピング



取り付け設置業者の皆様へ ガス調理器 給湯器の パロマ



高橋商店 lpガスq a lpガスの保安



在庫残りわずか Gq C2434ws T ノーリツ エコジョーズ 24号ガス給湯器 給湯専用 Ps扉内設置型 オートストップ Noritz 最高の Gijewellery Ro



給排気筒点検 取替のご案内 北ガスフレアスト 話せるあんしんガス機器



給湯器交換の費用相場 号数 サイズ別の価格は リフォーム費用の一括見積り リショップナビ



ガス瞬間湯沸器 取付上のご注意 リンナイの給湯器



給湯器交換 ガス給湯器の選び方



Home K04 Itscom Net



ガス給湯器はどこに設置すればいい 設置基準と設置の方法 リフォーム 修理なら リフォマ



壁掛形エコジョーズふろ給湯器をリニューアル新発売 新着情報 パーパス株式会社



屋内設置形ガス給湯機器をお使いのお客さまへ 製品に関する大切なお知らせ ノーリツ



給湯器の選び方



給湯器交換施工例 給湯器 ガス給湯器の交換 修理 取り付けなら 湯ドクター



ノーリツ 屋内壁掛式ふろ給湯器 Ff Fe方式 給湯器はu Form ゆ フォーム



ガス給湯器交換に必要な工事と注意点 見積価格の安さだけを求めてはならない



その設置基準で大丈夫 給湯器の離隔距離について 小金井市 西東京市 小平市の給湯器交換屋さん 福田設備



取り付け設置業者の皆様へ ガス調理器 給湯器の パロマ



Ruf A1615saw B リンナイ Sale ガスふろ給湯器 本体のみ 屋外壁掛型



ガスふろ給湯器 製品を安全に正しくお使いいただくために 製品に関する大切なお知らせ Paloma



給湯器を設置するのに大事なことって 場所や基準についてご紹介 生活110番



屋外でも要注意 ガス給湯器 ガス機器の離隔距離や障害物に気をつけよう 小金井市 西東京市 小平市の給湯器交換屋さん 福田設備



排気カバーの取付けが必要な場合 ガス給湯器取替時のチェックポイント 中京ガス機器 株 スマホ対応



取り付け設置業者の皆様へ ガス調理器 給湯器の パロマ



ガス給湯器はどこに設置すればいい 設置基準と設置の方法 リフォーム 修理なら リフォマ



東京ガス 東京ガス 住宅 業務用空調相談センター ガス機器の設置基準



一般社団法人リビングアメニティ協会



ご注意ください 給湯器 ガス給湯器の交換 修理 取り付けなら 湯ドクター



給湯器の号数とは 16号 号 24号の違い 選び方 交換できるくん



一般社団法人リビングアメニティ協会



給排気設備の設置工事の要点



リンナイ 株 リンナイ ガス給湯専用機 Rux Aシリーズ 16号 給湯専用 Rux A1615w E の購入詳細ぺージです 輸入建材から建築資材販売の Interrajapan インテラジャパン



史上最も激安 Gth C2460saw3h L Bl ノーリツ 熱源機 ガス温水暖房付ふろ給湯器 都市ガス 設置フリー型 Gth Cシリーズ リモコン別売 Noritz Web限定 Atempletonphoto Com


0 件のコメント:
コメントを投稿